產品簡介
QY型充油式潛水電泵(簡稱潛水泵)是水泵和三相異步電動機合成一體的電力排灌設備。具有可靠的防水密封性能,體積小、重量輕、不需泵房,不需灌引水,使用維護和管理均為方便。
工作條件
- 潛水泵潛入水下深度不超過5m;
- 水溫不超過40℃;
- 水中含砂量或含不溶于水的固體顆粒的體積比不超過0.1%,粒度不大于0.2mm;
- 無腐蝕、水的PH值為6.5—8,如一般常溫清水:井水、河水、湖水。
型號意義
選型范圍
應用范圍 1、農田園林的排灌、井灌、噴灌; 2、井下提水,水塔送水; 3、排澇防汛; 4、船舶倉底排水; 5、城建、工礦給排水。6、景觀、噴泉。
| 型號規格 |
流量(m?/h) |
揚程(m) |
功率(kw) |
電壓(V) |
電流(A) |
凈重量(kg) |
外形尺寸(mm) |
管徑(mm) |
轉速(r/min) |
揚程適用范圍(m) |
| QY8.4-40/2-2.2A |
2.4 |
40 |
2.2 |
380 |
5.4 |
40 |
225x560 |
38 |
3000 |
全揚程 |
| QY15-26-2.2A |
15 |
26 |
2.2 |
380 |
5.4 |
37 |
250x550 |
51 |
3000 |
全揚程 |
| QY25-17-2.2A |
25 |
17 |
2.2 |
380 |
5.4 |
35 |
225x560 |
64 |
3000 |
全揚程 |
| QY33-142.2A |
38 |
14 |
2.2 |
320 |
5.4 |
36 |
255x550 |
76 |
3000 |
全揚程 |
| QY65-7-2.2A |
65 |
7 |
2.2 |
380 |
5.4 |
35 |
225x560 |
102 |
3000 |
全揚程 |
| QY100-4.5-2.2A |
100 |
4.5 |
2.2 |
380 |
5.4 |
34 |
225x576 |
152 |
3000 |
0-7 |
| QY10-51/3-3A |
10 |
51 |
3 |
380 |
7.2 |
53 |
225x590 |
51 |
3000 |
45-60 |
| QY15-36-3A |
15 |
36 |
3 |
380 |
7.2 |
42 |
290x590 |
51 |
3000 |
全揚程 |
| QY25-26-3A |
25 |
26 |
3 |
380 |
7.2 |
40 |
250x580 |
64 |
3000 |
全揚程 |
| QY40-16-3A |
40 |
16 |
3 |
380 |
7.2 |
40 |
240x580 |
76 |
3000 |
全揚程 |
| QY160-4-3A |
160 |
4 |
3 |
380 |
7.2 |
40 |
225x635 |
152 |
3000 |
全揚程 |
| QY65-10-3A |
65 |
10 |
3 |
380 |
7.2 |
45 |
225x585 |
102 |
3000 |
全揚程 |
| QY100-6-3A |
100 |
6 |
3 |
320 |
7.2 |
42 |
225x600 |
152 |
3000 |
0-9 |
| QY10-60/2-4A |
10 |
60 |
4 |
380 |
9.3 |
55.5 |
260x620 |
51 |
3000 |
45-61 |
| QY15-48/2-4A |
15 |
48 |
4 |
380 |
9.3 |
56 |
250x620 |
51 |
3000 |
全揚程 |
| QY40-21-4A |
40 |
21 |
4 |
380 |
9.3 |
50.5 |
240x590 |
76 |
3000 |
全揚程 |
| QY20-40/2-4A |
20 |
40 |
4 |
320 |
9.3 |
56 |
250x620 |
64 |
3000 |
全揚程 |
結構圖紙
結構簡介
QY型潛水泵由水泵、電動機和密封三部分組成。
水泵部分:位于潛水泵上部,與電動機同軸,其葉輪形式有離心式混流式和軸流式三種。
電動機部分:電動機功率為2.2KW和3KW,為鼠籠型三相異步電動機,立式內充5號機械油。電機位于潛水泵下部。
密封部分:包括動密封和靜密封。動密封為整體式雙端面機械密封, 位于電機軸伸處,即裝在上蓋和進水節所形成的空腔內,腔內充以5號機械油。靜密封位于電泵各零件止口配合處,采用"O"形橡膠密封圈。
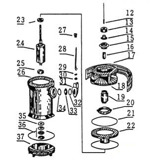
零件拆卸圖


1.接頭; 2.泵體(導向件); 3.耳擎; 4.導葉; 5.轉子螺母墊圈; 6.墊圈; 7.葉輪; 8.墊片; 9.防砂墊; 10.封環; 11.泵座; 12.鍵; 13.防砂圈; 14.密封圈; 15.尼龍軸承; 16.軸套; 17.格棚; 18.進水節; 19.整體密封盒; 20.擴漲件; 21.封環(Φ143×3); 22.上軸套;? 23.軸承205; 24.轉子; 25.袖承204; 26.定子; 27.出線盒螺母; 28.護套及電纜; 29.壓緊塾圍; 30.護套頭; 31.出線; 32.封環(Φ74×3); 33.接線板; 34.封環(Φ50×3) ; 35.墊片; 36.軸承8204; 37.下蓋。
維護保養
維護與保養
1、潛水泵正常動轉2000小時左右,須更換端面機械密封整體式密封盒。并同時更換新的油,5號或10號機械油和25號變壓器油或縫
紉機油。
2、經過修理或更換整體式密封盒后,應作氣壓試驗,氣壓試驗用的接頭和小接頭可參照制造圖。試驗時將氣壓接頭的一端旋入上蓋加油螺孔內,另一端接上自行車的打氣筒。將小接頭的一端接在下蓋加油螺孔內,另一端套上橡皮管或塑料管,并通入盛有水的容器內,打氣時水中應該沒有氣泡冒出來;如果有氣泡冒出來,說明密封盒內的第二道密封漏氣了。第一道密封如果漏氣的話,則反映在電機軸處有漏氣現象, 可在該處滴幾滴機油來鑒別有無漏氣。

3、掉換整件密封可按下圖序號順次進行拆卸,裝配時可按拆卸過程來進行。在裝配時應注意保持清潔。
4、潛水泵不用時,不宜長期泡浸在水中,以免絕緣受潮,應把潛水泵吊起,放在干燥通風的室內。
5、電纜引線必須經常檢查,有否開裂現象,防止漏電,觸電事故, 電纜引線不宜過細過長,接頭處必須烀牢,并包扎好可靠的絕緣。
6、潛水泵的葉輪,整件密封盒,尼龍軸承座,不銹鋼軸套橡皎擴張件,護套、等一些易損另部件,以及各種"O"型橡膠封環,加油螺孔上的橡膠襯墊等可向當地農機部門聯系或向本廠銷售科函購。
7、潛水泵使用一年后應根據表面的腐蝕情況、重新涂漆、除銹處理。
8、如果當地沒有條件修理潛水泵則可同我廠聯系修理事宜。
注意事項
- 潛水泵的規格性能應符合實際使用情況,使用前應仔細核對。
- 潛水泵配用的出水管內徑應和電泵口徑相配。
- 電源容量應在5.5千伏安以上,三相,380伏,交流50赫芝。
- 潛水泵帶電或抽水工作時,不要在附近洗東西、游泳或工作, 不要讓牲口在附近下水,以防電泵萬一漏電,發生觸電傷亡事故。
- 潛水泵不得抽吸含砂量較大的水質或泥漿水。
- 潛水泵突然不轉,或水量突然顯著減少等不正?,F象,須停機檢查,務必先行切斷電源,然后搬運拆裝。
- 電泵應配用電動機保護開關(本廠有配售》保護開關的動作電流已整定好,用戶不得自行改動。
- 任何時候都不允許用力提拉電泵的電纜。使用時全面檢查電纜, 發現破損立即換新方可使用。
- 電壓波動允許在342~418伏之間。如電泵使用地距電源較遠,應適當加粗導線截面積。
- 引出電纜中一根帶有接地標志的黃綠雙色芯線必須接地線,如無固定地線,可用2米金屬棒埋在河、湖岸邊,水溝旁或潮濕的土中作地線。
- 使用前應檢查上下蓋油孔螺釘有否松動漏油現象。出線盒上中間M8螺釘為本廠試壓專用,嚴禁用戶自行松動。
- 運轉前用500V兆歐表測量冷態下電機定子繞組對地的絕緣電阻, 最低不得小于5MΩ,否則不可使用,應驅除潮氣后才能使用。
- 使用前應在陸地上空轉1min0,檢查電泵運轉是否正常,轉向是否正確。
- 電泵不得脫水運行。在電泵工作時要注意檢查水位下降,不得讓電泵露在水面運轉。電泵的潛水深度范圍是0.5至3米。
- 電泵不得陷入泥中,不得橫放,建議電泵外用竹籃或鐵絲籃來防止水草雜物堵塞水泵葉輪。
- 電泵開動后,如發現出水量很小或不出水時,說明電泵旋轉方向反了,應切斷電源,把三相芯線中的任意二相位置交換一下再開車。
故障排除
- 1、如果接地不良,發現漏電現象、應迅速切斷總電源、停止使用,進行檢修。
- 2、潛水泵啟動不成的主要原因:
| 原 因 |
處 理方法 |
| 電源電壓過低 |
必須調整到342~418伏。 |
| 電源斷電 |
找出斷電原因。 |
| 電泵葉輪卡牢 |
拆開導向件,消除垃圾。 |
| 電纜斷裂 |
按規格進行調換。 |
| 電纜電壓降過大 |
必須使用較粗的電紱。 |
| 電纜插頭損壞 |
調換新的插頭。 |
| 電機的三相電纜有一相不通 |
應該檢查開關線頭及出線有否損壞,發現損壞應該更新。 |
| 電機定子繞組壞 |
重新下線,進行大修。 |
- 潛水泵突然不轉的原因:
| 原因 |
處進方法 |
| 空氣開關跳開熔絲燒斷 |
應檢查線路故障或重新換熔絲。 |
| 電源斷電 |
找出斷電原因,消除故障,恢復供電后再啟動。 |
| 定子繞組燒壞 |
重修。 |
| 葉輪卡牢 |
消除雜物,排除故障。 |
- 定子繞組燒壞的主要原因:
- 1) 潛水泵電機二相運轉: A. 三相電源有一相因開關觸點或電纜線接頭接觸不良; B. 地線與相線接錯而造成; C. 電纜中有一根連接不好而脫開或接觸不良。
- 2) 整件式密封盒內磨塊因嚴重磨損,引起漏水到電機內部,致使定子繞組匝間短路或相間短路。
- 3) 潛水泵陷入泥漿中,散熱不良。
- 4) 潛水泵脫水運轉時間過長。 電機超負荷運行:A.輸出網電壓過低,或電纜線過細過長,電壓降太大;B.低揚程泵(QY-4.5米泵)型使用揚程太高超過規定、高揚程泵(揚程15米以上) 揚程太低,低于規定的70%;C.含砂量太多,水質比重過高,或插泥漿水;D.泵葉輪被外來雜物卡死,電機處于三相制動。
- 5) 電纜線破損后浸水、定子繞組受潮。
- 6) 定子繞組兩端部與上、下蓋或機殼相擦,絕緣損傷,造成繞組對地擊穿。
- 7) 裝配時上、下蓋上的形象膠封環不小心被止口切斷、或脫落到電機內部;裝配后又未經0.2MPa的氣壓試驗,使用時嚴重進水到電機內部。
- 8) 潛水泵開停過于頻繁。
- 9) 潛水泵受到雷擊。